(Now a bi-weekly program)

Aug 13, 2013

Join the "CWTD Yahoo Group" for email discussion in between our bi-weekly sessions.

"Remote Display Node" for our Precision Arduino Clock project
and

Power Supply Basics for Hollow State Designs
 

Overview

In the first half of this episode, we inch closer now to the final version of the Remote Display Node for the Precision Arduino Clock project.  This time we experiment with the battery-powered, jumbo-sized 7-segment, 4-digit LED display array that hangs on the wall to display hours and minutes, as well as 1-of-60 discrete blue and yellow LEDs that tick off the seconds as received from the Arduino base station with an RTC synchronized to WWV. [Whew, that's a mouthful of features!]

And in the second half of the episode, we introduce the next project:  A Thermatron Audio Amplifier ... and we start off with the basics of a simple DIY power supply for it.

73, George N2APB & Joe N2CX

Podcast ... Right-click to download & listen!

Text Chat window from during the show ...

<19:57:42> "Dave, AA3UR": Interesting link for tonight: http://www.blueguitar.org/new/text/ps_design.pdf 
<19:58:39> "Dave, AA3UR": this one too: http://www.w8ji.com/choke_input_power_supply.htm
<20:03:42> "Joe N2CX": http://www.cwtd.org/Aug13.html
<20:08:33> "Al - N8WQ": http://www.monitoringtimes.com/
<20:10:26> "Terry WB4JFI": Congrats on the KX3 Joe. It's a wonderful radio!
<20:11:12> "Charles WC5MC": Yeh smart buy :)
<20:11:15> "Joe N2CX": I gotta say it's the best radio I ever owned!
<20:25:11> "Bill - KD5TFD": peripheral
<20:25:13> "Jeff - W7WWA": peripheral
<20:31:28> "Dave, AA3UR": 555 nm green
<20:31:45> "Charles WC5MC": oh like a 555 timer :p
<20:32:14> "Dave, AA3UR": :)
<20:39:34> "Laz K2LAZ": Aren't they actually 8 segment LED if you count the decimal point.
<20:39:49> "Charles WC5MC": yeh 7 segs plus a point
<20:40:19> "George - N2APB": Yup. That's what I mentioned. Each of the digits in this array have a dp, which constitutes the 8th "element" being controlled.
<20:47:55> "Charles WC5MC": Speaking of PIR sensors http://www.youtube.com/watch?v=uIbkLjjlMV8  but watch it later 'cause you'll laugh too much during CWTD
<20:49:54> "Frank N3PUU": passive infrared?
<20:50:13> "George - N2APB": Pyroelectric! ;-)
<21:03:16> "Dave, AA3UR": I love the smell of dust burning on the tubes as they warm up!
<21:04:54> "George - N2APB": But seriously, me too. I have a stereo audio amp (100W) here in the shack, running open, playing bluegrass in the background most evenings ... and the smell is quite distinctive and attractive.
<21:05:54> "Howie K3HW": Listening to Jean Shepherd K2ORS on WOR late at night under the covers with my 5 tube All American...
<21:06:53> "George - N2APB": Under the sheets ... probably got quite warm, eh?
<21:07:14> "Howie K3HW": very... and got in trouble more than once...
<21:07:22> "Laz K2LAZ": Nothing like the smell of burning beds
<21:07:31> "Howie K3HW": QSL
<21:10:30> "George - N2APB": I've got a nifty 5-tube All American radio that was the lab exercise of a correspondence school back when (NTE??) ... works great! Wooden case.
<21:13:12> "Howie K3HW": my current 5 tube AA is a 1947 Philco "Hippo" AM Radio
<21:15:28> "Al - N8WQ": cool power supply Joe!
<21:22:11> "Howie K3HW": Rex up in Maine - MeQRP - is selling various vacuum tube circuit boards for tinkering and experimenting inspired by Hollow State Design
<21:22:31> "Eamon - VE2EGN": well there are other things called thermatrons...
<21:22:56> "Eamon - VE2EGN": http://www.thermatroneng.com/
<21:23:13> "Eamon - VE2EGN": http://www.thermex-thermatron.com/
<21:23:31> "Joe N2CX": Eamon, thanks for the reference. I'll check it out!
<21:23:57> "Eamon - VE2EGN": nothing to do with tubes! sealing with RF, for one example...
<21:24:31> "Laz K2LAZ": Found the link for Me QRP tube "Me Tubes": http://qrpme.com/?p=product&id=MET
<21:25:19> "Howie K3HW": qrpme - Ihad it backwards MeQRP sorry...
<21:26:09> "Joe N2CX": I think George ordered some the other day!
<21:26:30> "Eamon - VE2EGN": and free shipping on the meTUBES for the introductory promotion...
<21:27:07> "Howie K3HW": I ordered 2 l when they were announced
<21:28:14> "Charles WC5MC": http://wa0uwh.blogspot.com/2013_03_01_archive.html
<21:28:45> "Laz K2LAZ": The tube board looks real cool in use: http://qrpme.com/docs/MET+tube.jpg
 

 

Part 1:  Advancing the Remote Display Node

Now that we have the basics of the Precision Arduino Clock "system" working, we'll now concentrate on getting the Remote Display Node into the usable state that we ultimately want:  bigger digits, sixty LEDs for indicating each second, a power-saving motion detector to turn off the displays when the room is vacant, and suitable battery operation.

 

 

 

 

 

Parts used in this experiment

 

7-seg, 4-digit, common cathode Blue LED array ... Sparkfun COM-11408 ... $2.66

   (BTW, have you ever explored the Sparkfun Tutorials?  Pretty nice coverage of good material.)

 

MAX7219 serial display driver ... Digi-Key ... $7.50

 

Arduino RBBB ... ModernDevice … $13.00 … http://shop.moderndevice.com/products/rbbb-kit  (I haven’t forgotten that I owe you one of these Frank!)

   or

Funduino Nano ... WayEngineer ($15.90) ...  http://www.wayengineer.com/index.php?main_page=product_info&products_id=921

   and for production:

Bare ATMEGA328P-PU chips … Digi-Key ($1.98)

 

LEDs for Seconds … Mix of red, green, yellow (how many of each depends on # info segments in WWV minute)

 

 

 

Arduino sketch to display "1234" in display ... Jumbo7_test2.ino

 

      Control Words send to MAX7219 chip in order to display the digit information

 

MAX7219 8x8 Display Driver

This is a surprisingly powerful chip from MAXIM that enables the Arduino to control up to 8-digits of a 7-segment LED array using only 3 bits in a bit-banged SPI serial manner.  The MAX7219 has a great deal of flexibility in that it can be programmed to accept raw abcdefg segment data for each digit, or binary-coded decimal (BCD) numbers and do the internal decoding to display the BCD number using the 7 segments.  The chip can be programmed to shut down the display (to save on power consumption), the intensity may be programmed in 1/32 step increments, and the scan rates can also be set. 

A couple of good tutorials on controlling a 7-seg multi-digit LED array with the MAX7219 chip can be found at ...

Hardware ... http://playground.arduino.cc//Main/MAX72XXHardware

Software ... http://playground.arduino.cc//Main/LedControl

I/O Expansion via "Charlieplexing" to drive the 60 “seconds” LEDs

Charlieplexing technique ... (http://makezine.com/projects/charlieplexing-leds-with-an-avr-atmega328-or-arduino/)

 

We'll need 9 pins to do 60 LEDs (9 pins actually does 72 max, but 8 only does 56).  An interesting side benefit of this method is that by design only 1 LED is illuminated at a time which should help keep our power down.

 

Maxim also has some chips that do the same thing in hardware ... http://www.maximintegrated.com/app-notes/index.mvp/id/1880

 

A pair of MAX6958/MAX6959 might be a good choice - talks i2c and a pair will drive 72 LEDs, even comes in a 16 pin DIP ... http://datasheets.maximintegrated.com/en/ds/MAX6958-MAX6959.pdf

 

Precision Wall Clock Power Budget 

 

Necessary evil with battery powered projects

-        See how much battery capacity needed

-        Gauge battery type to use to get useful operating time

-        Look for areas to lessen power drain

Begin with “bogey” budget to scope out total consumption

-        Guestimates of power drain for each subcomponent

Refine numbers based on data sheets or measurements

Tweak design or power source to get desired operating life

 

Spreadsheet handy format for budget

-        Easy to see all data at a glance

-        Good for “what-if” exercises

Sample spreadsheet  (See chart below)

-        All functions enabled full time avg current 120 mA

-        Xbee only on 1% of time for updates avg current 70.5 mA

-        Xbee 1% and 7-seg disp off in dark room 43.7 mA

 

 

 

Function >>> Processor (mA) Duty Cycle % Avg Current (mA) 7-Seg Digits (mA) Duty Cycle  % Avg Current (mA) LEDs (mA) Duty Cycle  % Avg Current (mA) Xbee  (mA) Duty Cycle  % Avg Current (mA) Total Current (mA)
See Note A 20 100 20 40 100 40 10 100 10 50 100 50 120
See Note B 20 100 20 40 100 40 10 100 10 50 1 0.5 70.5
See Note C 20 100 20 40 33 13.2 10 100 10 50 1 0.5 43.7

Note A:  All functions enabled 100%

Note B: Xbee off 99% of the time

Note C: Xbee off 99% of the time and 7-seg display disabled when room is dark

Assume Circuit needs 7.2v,  and use 6 D cells. 

-        120 mA  ~ 90 hrs

-        70.5 mA ~ 170 hrs

-        43.7 mA ~ 300 hrs

 

 

 

 

Ref: Eveready alkaline D cell technical data sheet:  http://data.energizer.com/PDFs/E95.pdf

 

 

PIR Motion Sensor Note -- on Adafruit site .... http://www.ladyada.net/learn/sensors/pir.html

 

 

PIR Active time = 24576 x R10 x C6

                       = 24576 x 10k x .01uF

                       = 24576 x E4 x E-8

                       = 2.4576 seconds ... too short!  (The displays will turn off if you are still for about 2.5 seconds!

So we'll need to increase R10 and C6 by factor of 10 each, yielding 245 seconds = 4 minutes.  This is good, as you will likely not be perfectly still for more than this time and the display will stay on.    But if you leave the room (with no reason to have the clock display on) the PIR sensor will go inactive and the Arduino will turn off the displays to conserve battery power.

Everything integrated now and ready for the last step:  60 "seconds" LEDs encircling this Remote Display Node ... in the next episode!

Notes: 

1) The PIR module is mounted conveniently on the XBee plugboard ... uses just 3 connections: 5V, Gnd and Output (going to Arduino pin D9)

2) The PIR sensor works quite nicely in turning off the display when no movement is detected after about 4 minutes.

3) Although you cannot see it here in a static image, we were able to blink the decimal point for digit 2 at the native 1-second interval coming over the XBee RF link with the time codes from the Precision Arduino Clock base station.

4) We used C-cells in this breadboard .. but will use D-cells as shown earlier on this page.

5) Power reduction steps:

    a) We will be using a bare ATmel 386 chip (~$2), programmed with the Arduino bootloader, with the sketch being loaded via an external USB-to-TTL digital serial adapter.  (The Funduino Nano used here to far too power hungry, and expensive ($15)

    b) We will be transmitting hours-minutes time code (only) over the RF link to this Remote Display Node to allow the XBee receiver to stay sleeping for 99% of each minute interval.  The display of the 60 "seconds" LEDs on this Remote Display Node will be accomplished in software by the Arduino code.  Local accuracy at the "seconds" level will be sufficient in between the synchronization from the base station occurring on the 1-minute boundaries.  

6) The latest sketch for all the functions included thus far ... Remote Display Node v2a

 

 

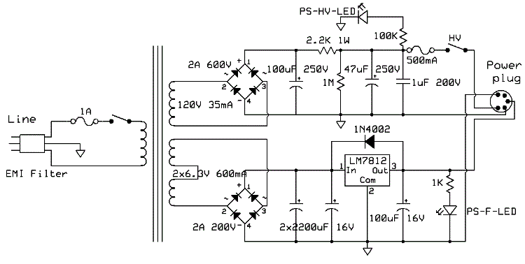
Part 2:  Power Supply Basics for Hollow State Designs

We are introducing another CWTD Project:  Thermatron Audio Amplifier ... And to kick things off we wanted to do a breathless overview of the basics of a simple, DIY power supply suitable for powering the project.

 

 

 

                                                           CWTD Project:  Thermatron Audio Amplifier

In the coming episodes, we'll be building up and analyzing the simple triode audio amp example from the Hollow State Design book, by Grayson Evans, TA2ZGE/KJ7UM

 

  

 

 

                                                      

And to start us of, we will be going through a simple DIY power supply that should be suitable for the project. 

 

But first ...

Power Supply Basics

 

·        Transformers – still available at a cost

  

o   Good source is Antique Radio Supply

§  $50+ each

 

o   Can improvise for simple supplies

§  Back to back filament transformers

 

·        Main functions

o   Line-isolated AC output that can be rectified to produce desired DC output

o   AC at correct voltage for filaments

 

·        Rectifiers

o   Thermatrons rugged and work at high voltage

  

o   Thermatrons lossy and have large voltage drop

§  Can be 30 to 40 volts

 

o   Solid state diodes can have <1V drop

o   Can be more fragile

 

o   Inexpensive at high PIV – iN4007 is 1000 Volts at 1 Amp for under 50 cents

 

o   Small packaged full-wave bridges 

o   Use full wave bridges, not half-wave rectifiers

§  Transformers can't pass DC and get angry when you try

 

·        Filtering

   

o   Simplest is electrolytic capacitor 

o   100 uF 500V part ~ $8.00 at Antique Electronic Supply

o   Don’t skimp on voltage rating

o   Use component tester to measure ESR for unknown parts

§  CWTD May 17, 2013 - < http://www.cwtd.org/May7.html>

 

·        Example - approx. 150V DC supply

o   Back to back 12V filament transformers

o   Full wave bridge rectifiers

o   Single electrolytic filter capacitor

§  Value depends on current drain – start with 100 uF, 250V

o   Be sure to fuse AC line for safety

o   Don't forget bleeder resistor to discharge filter capacitor.

o   Build in secure enclosure to eliminate shock danger

 

·        Power Supplies for Vintage Ham Radios

 

                    

 

 

 

 

 

 

·        High quality supplies

 

                

 

o   Laboratory B+ Supply

§  Fixed 90 or 105V

·         Uses voltage regulator thermatron

§  Variable 60-150V

·         Uses Integrated circuit regulator!

o   High Voltage Bench Supply

§  250V variable output

§  75V variable output

§  Switched voltmeters and milliammeters

§  6.3 and 12VAC filament outputs

 

Power supply design references:

Power supply parts references:

 

  •