July 12, 2016

Elmer 101
and the Small Wonder Labs SW30+ Transceiver
 

Installment #4 ...
Tx BPF, Preamp, Driver


A step-by-step analysis and build-up of the classic 2-watt 30-meter superhet transceiver

 from designer Dave Benson K1SWL of Small Wonder Labs.

Overview

Are you keeping up with us in building your SW30+ rig?!  In this episode we are finishing off much of the Tx chain and and getting closer to seeing signal squirting out of this little radio!

BTW, did you say you missed the last episode? You can download the podcast and catch up on things at any time!  The whiteboard material and audio recordings for all shows are listed right there on our home page! (www.cwtd.org)

73, George N2APB and Joe N2CX

Download the Podcast

Chat window during the show ...

<20:13:17> "Obe - KC4VZT": http://www.mpja.com/0-18VDC-0-3-A-Variable-Benchtop-Power-Supply/productinfo/29600+PS
<20:13:25> "Pat W0BM": MPJA has always delivered on time and great stuff. been using them for years...
<20:21:08> "Mike WA8BXN": Digispark ATTINY85 Arduino Micro perfect to build a keyer
<20:23:06> "Joe N2CX": Gee, you get your modules this week! My quoted delivery is 3 weeks!
<20:25:46> "Pat W0BM": I'd really be interested in seeing the SOTABeam unit integrated with the SW30
<20:27:21> "Mike WA8BXN": amazon has the digispark boards, prime 2 day delivery, costs a bit more
<20:28:06> "Pat W0BM": The signal LED feature would be very helpful tothis tin ear...
<20:34:14> "Wayne W6AHH": Thought we might be able to "stack" the accessory case for more headroom in one unit.
<20:46:09> "Mike WA8BXN": 3 axis
<20:46:55> "Joe N2CX": Mike, shucks I did not see that Amazon was selling it. I use Prime extensively. OTOH it will be some time before I get around to using the baoards...
<20:47:41> "Obe - KC4VZT": My new HamShield a Kickstart project for a Arduino tri band transceiver arrived but still working on it's first use.
<20:50:52> "Mike WA8BXN": note buffer and driver are untuned amplifiers
<20:56:52> "Wayne W6AHH": I emailed to try to get on of the nice printed Elmer 101 books, but did not get response. Does anyone know if still available or have a scan?
<21:00:19> "Pat W0BM": i'd be interested in more discussion on the driver being untuned. It does explain why T4 is there rather than an L something. I'm used to a load resistor in the collector for amplifiers other than emmiter followers such as the buffer
<21:07:16> "Pat W0BM": so what is the output impeadance of the driver, Q5?
<21:08:36> "Pat W0BM": would emrfd explain how to calculate the output impeadance?
<21:08:52> "Joe N2CX": EMRFD Experimental Methods for RF Design.
<21:09:30> "Joe N2CX": There is also an EMRFD email list.
<21:10:09> "Mike WA8BXN": Output Z of Q5 would be on the order of 12 V / collector current
<21:10:14> "Pat W0BM": I havethe revised first edition, any hints where I might find info on a q5 circuit?
<21:11:47> "Obe - KC4VZT": there is also a Yahoo Group for EMRFD https://groups.yahoo.com/neo/groups/emrfd/info
<21:12:51> "Pat W0BM": Mike, the output Z for DC would make sense, but with c 114 bypassing 51 ohms, doesn't that change the Zout?
<21:15:03> "Mike WA8BXN": I don't think so, will have more effect on input Z. R27 gives some negative feedback
<21:15:35> "Obe - KC4VZT": That is true of even standard Digital desgin
<21:15:49> "Pat W0BM": ok
<21:16:02> "Mike WA8BXN": C114 makes R28 not contribute to the negative feedback for ac signals while both resistors give negative feedback for dc bias
<21:16:15> "Joe N2CX": Yup, One can easily simulate it with PSpice to get a good feel for the impedance levels.
<21:16:54> "Pat W0BM": so what calculates the Zout, or is that an exercise for the student?
<21:17:25> "Joe N2CX": Zout of what?
<21:17:32> "Al - N8WQ": George can you address the GPS oscillator project?
<21:17:35> "Pat W0BM": Q5. sorry
<21:17:45> "Mike WA8BXN": AC variation in collector voltage/colelctor current
<21:18:12> "George N2APB": Sure Al, just as soon Joe closes us down.
<21:18:18> "Al - N8WQ": thanks
<21:19:09> "Pat W0BM": thanks Joe
<21:19:46> "Obe - KC4VZT": It's been very fun with the project I've been seeing lots of things while testing different stages to help me learn more about RF design issues, I'm up to the last step 13 but waiting to get some connectors to finish before completeing the project.
<21:20:43> "Pat W0BM": I've built through tonight, now need to test the filter/buffer/driver. It's been a blast! Thanks for the conversation!
<21:22:09> "Mike WA8BXN": the receiver is done beofre the final amplifier
<21:22:22> "Pat W0BM": gpsdo
<21:22:47> "Joe N2CX": Thanks Mike! I'm gettting ahead of things...


(Click here if you want to get straight to the Elmer 101 feature material farther down the page)

New Products of Interest to Homebrewers & Experimenters

1) Bench Supply -- http://www.mpja.com/0-30V-0-3A-Variable-Benchtop-Power-Supply/productinfo/29601+PS/  ... Here's something that looks to be a real nice for your homebrewing bench … a 0-30V, 3A variable power supply for $50.   See pic and link below.  It’s “constant current” … you short the output and set the current to the maximum that you want it to supply, such as in a worst-case condition to limit current if/when you have a short-circuit in the project you are powering.  Then if there’s a fault, you can limit the damage.  NOTE:  This one is a LINEAR supply, not a switcher ... and I have this one on order!

0-30V, 0-3A Variable Benchtop Power Supply

2)  Protective "Go Case" for radio gear -- http://www.mcmelectronics.com/product/22-24115  ... Here's a *very* nice “Multicomp” case that I used for taking to the field last weekend for FD.  It’s from MCM Electronics (http://www.mcmelectronics.com) and about $42.  High density polymer plastic, waterproof, and with amazingly- customizable foam padding on the inside.  (Link and photo below.)   Good friend Larry K3PEG loaned me his portable station for use during FD, and he uses this case for transporting his KX3, PX3, NUE-PSK Modem, and amplified speaker … and all the (many) interconnecting cables for the station.  The manual slides under the top foam piece, and I even fit a 7 A-hr battery into the case as well.  I was *very* please with the case for transport and protection of it all, and will get one myself for my own portable station: FT-817ND … unless I spring soon for the new KX2.  The Elecraft gear is just fabulous!  Super intuitive user interface and really provided me the best FD outing ever (rig-wise).

3) Digispark ATTINY85 Arduino Micro USB Development Board -- http://www.ebay.com/itm/Digispark-Kickstarter-ATTINY85-Arduino-Micro-USB-Development-Board-/201315743180?_trksid=p2141725.m3641.l6368 This is a real inexpensive ($1.65)  ATTINY85-on-a-USB-plug module, that has a bunch of possible uses.  A couple of us are considering ways we could make up a display accessory for the SW30+ project.

4) SOTABEAM's new "Dual Bandwidth Filter Modules SSB/CW" -- http://www.sotabeams.co.uk/dual-bandwidth-filter-modules-ssb-cw/ ... I recently came across this new audio filter module offering from SotaBeam ... and was very impressed.  Priced at just $39, I placed an order for one to try it out!  It reminds me of the KK7P "DSPx" module from way back, enabling one to adjust filter width and placement to better hear CW and SSB signals in radios without the built-in DSP filtering controls offered in expensive commercial radios.  A couple of us have been thinking that this would be a really dandy accessory for the SW30 rig that we are building up in the CWTD Elmer 101 series ... what do you think?!

 

5) Nucleo-STM32 "Arduino-Compatible" Controller -- http://www.st.com/content/st_com/en/products/evaluation-tools/product-evaluation-tools/mcu-eval-tools/stm32-mcu-eval-tools/stm32-mcu-nucleo.html?querycriteria=productId=LN1847 ...Like many of us hams, I just love using Arduino controllers (UNO, Nano, et al) for providing quick and easily-modifiable code to control my projects.  Well, I've come across this powerful and inexpensive "Nucleo-STM32"-line of modules that offers pin-compatible use with the Arduino boards, as well as being able to be programmed in the same manner as the Arduino software 'sketches'.  So think of this as an Arduino-on-steroids that just might be able to handle some of the more performance-oriented tasks that we'd like to do (e.g., DSP-like processing, filtering , faster sampling).  Amazingly there are many different modules available for order from Mouser, ranging from $10-$23.  I have one of each (pictured below) on order for experimentation ... and maybe we'll see the Nucleo in future CWTD project? ;-)

NUCLEO-L011K4 ($10)      NUCLEO-F746ZG ($23)         

           
 

6) AA0ZZ Blank Enclosure Kit from Craig Johnson -- http://www.aa0zz.com/ (soon to be available for order) ... This is the same nifty red pcb "enclosure kit" as Craig offered for the SW30+ project, except there are no holes and no silkscreened labels!  Perfect for adding your accessories (e.g., keyer, display, audio filter, amp, speaker, Arduino controller, et al) into a color-coordinated, same-size enclosure that looks terrific side-by-side with your main SW30 rig.  Craig tells us that this new offering will be about the same price as the SW-30 version (~$18) and will be available for order in about 2 weeks.  Yay, and thanks Craig!

     


 

CWTD Episode #81:  Elmer 101 and the SW30+ Transceiver  ... Tx BPF, Preamp & Driver

 

First, a few Notes: 

  1. Kits are sold out.

  2. SW30-specific Enclosures are sold out ... but see the Big Surprise listed above in the New Products section:  BLANK ACCESSORY ENCLOSURE KIT from AA0ZZ.

  3. Bare SW30 pc boards are sold out.

  4. You can get the FreqMite Kits now from 4SQRP ... http://www.4sqrp.com/freq-mite.php   ... And AA0ZZ shows here how to connect it to your SW30.

  5. Accessories in progress ... Keyer Kit, Display,  Arduino control, Spectrum output

  6. For the latest & greatest SW30+ Kit information, see/download the Updated Manual

Block Diagram

Technical Discussion

This time we borrow from the nicely-done Elmer 101 materials created for the community circa 2000 by David Ek, NK0E in part 4 of The Eks Files ... http://eksfiles.net/elmer-101-kit-building-materials/.
(And by the way, if you are interested in some excellent component and amplifier theory that directly relates to these specific circuits, we urge you to look at Dave's full Part 4 installment referenced above.)

Assembly & Test:

Two more stages of the transmitter are assembled in this part of the assembly process. One could do all of the assembly and then just look for output from the buffer. If it’s not there then backtracking would be needed to identify if the Preamp or Buffer has the problem.

Just a quick mention on the winding of transformer T4 ...

First, it is wound with 6" (15cm) of magnet wire for the primary winding. The primary winding is wound first, using 8 turns. Install T4.

The add a secondary winding to T4 as follows (guidance from K1SWL original manual) ...

1) Strip 1/8" of insulation from one end of the 3" length of insulated wire. Twist the wire gently between your fingertips to ensure that all strands are bundled together. Tin this lead-end with solder.

2) Install this lead-end in S2 and solder.

3) Take the free end of this wire in the direction of S1 and then double it back through the hole in T4.

4) Draw the lead snug (not tight!) and proceed around the toroid material until you’ve formed one complete

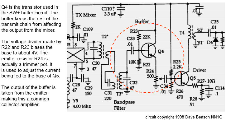
Testing the preamp before going on to the driver makes some sense. The Preamp (Buffer stage - Q4) doesn't provide gain but provides isolation, allowing us to now adjust T2 and T3 without our test equipment having any practical effect. R24 is set to provide maximum output, which ultimately will be too high for proper operation overall.

The test for the Driver stage (Q5) again looks for output, this time at what will be the base of the final amplifier when we put in those parts. Besides testing to see if we got the parts in right we have the opportunity to lower the output by turning R24 counterclockwise some. It's handy to have a scope to observe the waveform, but not required. If you run into problems testing these stages, check for proper parts and orientation along with good soldering. The collector of both transistors should be around 12 volts. If neither has that voltage, make sure you have the jumper or key between pins 1 and 3 of J3 which turns on Q3 to pass voltage to the transmitter stages. If only Q5 is not getting +12 volts at its collector, check the leads of T4 very carefully to make sure they are properly soldered to the board!

Connect power to J4 and key to J3. Observe RF signal at base of Q6 (left lead, not yet installed) while pressing key. It should be stronger than previous measured levels. If you have a scope, reduce R24 to get clean sine wave.

Measurements:

  • After adjusting R24 CCW a bit to get good waveform, the 12 V supply should be providing about 300ma.

  • At Q6 base, note 2.4 Vpp on scope, 1.7 V DC using RF probe

  • Disconnect power and key

Spectrum View

Here are the signals base of Q4 after passing through the Transmit Bandpass filter. The desired signal is Peak 1 which is much stronger than the remnants of other signals coming out of the transmit mixer.

 

Component Layout:  Keying & Transmit Mixer

 

 

Troubleshooting Schematic