May 22, 2012
Join the "CWTD Yahoo Group" for email discussion in between our weekly sessions by clicking here.
Antenna Tuners (ATU)
Impedance matching in a world of mis-matches
Overview
Looking for that perfect match? Well, stop spending time on those singles dating web sites and take a look at the plethora information published in the amateur radio press on this timeless topic. But who really knows how these ATUs operate? Which design is efficient and which is bogus? Why not just toss in a balun? How much power capacity is required? Where should you optimally place the ATU?
For answers to these questions and much more, join in on this CWTD session and perhaps pick up a few gems of an idea that you can try out with your own antenna “system”.
73, George N2APB & Joe N2CX
Audio Recording ... (Listen to the MP3 podcast)
Discussion Notes:
<20:02:15> "Joe N2CX": http://dl.dropbox.com/u/43021514/CWTD/May22.html
<20:02:42> "Kelly K4UPG": Tnx Joe for Link. This is my fav subject
<20:22:54> "W2AEW - Alan": That kind of coil-to-case spacing is NOT common in
store bought tuners due to cost.
<20:25:01> "Kelly K4UPG": Somewhere along the line can you explain the pros/cons
of using plastic enclosures vs metal?s
<20:28:35> "Sam NV1P": i love mine. can it be used on the WARC if a roller
inductor or more taps were added?
<20:34:47> "Pete - WB2QLL": You can also use two antenna tuners in "series" if
you get desperate. Loss will increase but it may not be significant; the range
will increase greatly.
<20:37:32> "W2AEW - Alan": I have a TenTec 238C which is an L-type tuner - very
nice.
<20:37:50> "Kelly K4UPG":
http://www.qsl.net/wb3gck/tuner.htm nice L type with options
<20:38:54> "WA0ITP Terry": Does the L have only one combination of values for a
given antenna?
<20:39:27> "W2AEW - Alan": Terry - yes.
<20:40:42> "W2AEW - Alan": ...or reverse input and output
<20:42:00> "Joe N2CX": QRPp Vol 4 had the St Louis tuner
<20:42:07> "Mike WA8BXN": If L is simpler and better, why are many manual tuners
T configuration?
<20:42:17> "Sam NV1P": what are the best values to use when building a "L"?
<20:42:48> "Larry - W2HHV": The Pic-A-Tune ATU at
http://uk.groups.yahoo.com/group/picaproject/files/2.%20PicATUne/ is a
remotely tuned L Network with switchable C. Good matching range data in design
documentation.
<20:43:48> "WA0ITP Terry": Here's an interesting T Match Simulator
http://fermi.la.asu.edu/w9cf/tuner/tuner.html
<20:44:25> "W2AEW - Alan": My favorite ARRL book on this topic is "REFLECTIONS:
Transmission Lines and Antennas" by M. Walter Maxwell, W2DU. Very thorough
coverage of matching topics
<20:44:44> "Joe N2CX": Indeed the Pic-A-Tune is good example of the auto antenna
tuner and good for the homebrewer as well
<20:45:47> "Mike WA8BXN": another issue, T tuner is high pass, L tuner low pass
<20:47:19> "Ray K2ULR": George: That MFJ Loop tuner has an RF ammeter.
<20:48:15> "W2AEW - Alan": I have a ZM-2 also - I really like it!
<20:49:21> "Kelly K4UPG": QST Sept 09 p 35 A Simple Transformer to Measure Your
Antenna Current
<20:51:25> "W2AEW - Alan": The ZM-2 has a nifty little LED-based matching
indicator
<20:52:07> "Pete - WB2QLL": Need a source of tiny cheap meters, easier to see
outdoors than LEDs.
<20:52:34> "Joe N2CX": Pete, Me too!
<20:53:33> "Kelly K4UPG": 200ua S meter type available on Auction site
<20:54:09> "Joe N2CX": N7VE SWR meter uses toroid xfmr to get higher voltage to
light LED
<20:54:58> "Kelly K4UPG": I find hand capacitance issues with plastic
enclosures. How to beat that?
<20:55:16> "W2AEW - Alan": example build of ZM-2
http://n5ese.com/zm2.htm
<20:55:53> "Joe N2CX": Kelly you can use a metal plate behind front panel to
reduce hand capacitance
<20:57:00> "Kelly K4UPG": tnx Joe will try that
<21:00:02> "W2AEW - Alan":
http://www.qrpkits.com/swrindicator.html
<21:04:39> "WA0ITP Terry": Neat to build one for forward voltage also.
<21:07:21> "Pete - WB2QLL": So what's inside the PAR EndFedz matchbox?
<21:08:02> "W2AEW - Alan": Pete - it's an L-network from what I've seen
<21:16:34> "Kelly K4UPG": Great overview tnx 4 ur effort to put this together!
<21:16:50> "Joe N2CX": AA5TB Steve Yates
<21:16:59> "WA0ITP Terry": Thanx vy much, great stuff and nicely done.
<21:17:30> "Kelly K4UPG": Love the references!
<21:17:48> "Ron KK4DWE": Very nice info guys!! Will be back next Tuesday.
<21:20:21> "W2AEW - Alan": 73 from NH hotel room
<21:20:23> "Armand WA1UQO": Thanks George and Joe, good info and great
references! Looking forward to next week.
<21:20:37> "Joe N2CX": Can you tell I love antennas?
SESSION NOTES
Antenna Tuners (ATUs)
The Basics
[From Wikipedia] … An antenna tuner, transmatch or antenna tuning unit (ATU) is a device connected between a radio transmitter or receiver and its antenna to improve the efficiency of the power transfer between them by matching the impedance of the equipment to the antenna. An antenna tuner matches a transceiver with a fixed impedance (typically 50 ohms for modern transceivers) to a load (feed line and antenna) impedance which is unknown, complex or otherwise does not match. An ATU allows the use of one antenna for a broad range of frequencies. An antenna plus matcher is never as efficient as a naturally resonant antenna due to additional induced losses on the feed line due to the SWR (multiple reflections), and losses in the ATU itself, although issues of pattern and capture area may outweigh this in practice. An ATU is actually an antenna matching unit, as it is unable to change the resonant frequency of the aerial. Note that similar matching networks are used in other types of equipment, such as linear amplifiers to transform impedances. See impedance bridging for details.
Discussion Outline
· Actually, "Antenna Matching Units" ...
· Why do we need them?
◦ Modern rigs designed for 50 ohms
◦ Many antennas/feedlines are not
◦ Non-resonant wires
◦ Open-wire feedline
◦ Multiband operation
Fig 15.25 end-fed wire impedance plot
▪
· When am I matched?
◦ Match transmitter or receiver impedances
◦ Usually SWR close to 1:1
◦ Often anything less than 2:1 is ok
◦
· Want tuner to have “good” traits
◦ Easy to tune
◦ Simple construction
◦ Inexpensive
◦ Efficient
◦ Choose ant two...
· ATU configurations
◦ Original “boat anchors” didn't need them
◦ Built matching circuits into final tuning
◦ Solid state rigs designed for “no-tune” operation
▪ Designed to drive 50 ohm coax
· Types of common ATUs
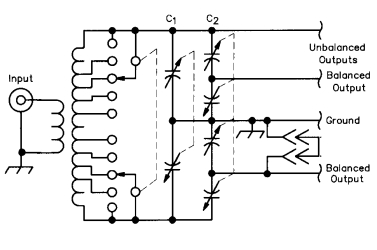
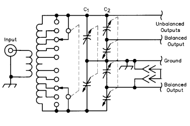
◦ Johnson Matchbox
▪ Link-coupled balanced tuned circuit
▪ True balanced or unbalanced operation
▪ Ham standard for years
Pix and schematic of Johnson Matchbox


· Utimate Transmatch
◦ Simple operation
◦ Tried to be simple multiband wide range tuner
◦ Very popular
◦ Not inherently balanced


Fig 15.31 Variations of the Ultimate Transmatch
·
Tee Tuner◦ Two variable capacitors and one inductor
◦ Wide tuning range
◦ Simple construction
◦ Popular tuners from many manufacturers use this configuration
◦ Inherently unbalanced
St Louis Tuner ... a T-type tuner

·
L-Network
◦ Very simple construction
◦ Very wide tuning range
◦ Can be cumbersome to tune
◦ Inherently unbalanced
QRP Kits SLT+ Tuner schematic


Z-Match Tuner
◦ Fairly simple construction
◦ Easy to tune
◦ Tunes wide impedance range
◦ Balanced or unbalanced

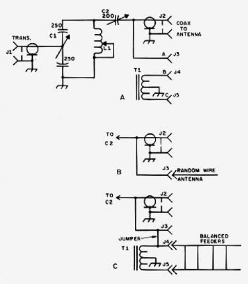
· Other tuner configurations
◦ How big is the sky?
◦ Homebrewers delight tuner for end-fed wires
◦ Requires hands-on tuning
◦ Wide range matching capability
◦ Also used for 43 foot “all-band” vertical
Fig 15.25 schematic
· SWR measuring important to tune ATU
◦ Ideally want 1:1 SWR
◦ Anything under 2:1 usually no problem
◦ Often built into tuner
Schematic of Optical SWR Meter

Other SWR meter pix/schematic?
· Losses in tuners
◦ Try to keep less than 10% (about ½ dB)
◦ Losses increase the farther antenna Z is from 50 ohms
◦ Baluns ok in resonant system
▪ Losses increase far from design Z
▪ Losses can be high if mis-applied
▪ Antenna broadbanded by balun is inefficient
· How to evaluate tuner?
◦ AI1H methods in QST references
◦ Also results of ARRL review of four high-power tuners
◦ Can also do comparison tests of antenna with various tuners
· My antenna don't need no stinking tuner.
◦ Cecil W6RCA all-band dipole
◦ Switched in appropriate lengths of open sire feedline to “tune” antenna
W6RCA no-tune antenna.jpg
-

COMMENTARY
From: Joe Ostrowski, KI5FJ
Folks I offer the following to the FB presentation:
My thoughts and simple design of a Remote ATU,
QST October 2011, mention placing the ATU in a metal enclosure if used
indoors.
There is no free lunch, impedance matching is
a necessary evil.
Advertising will never tell all the facts.
I believe a 300 watt rating will probably not
self destruct at 100 watts SSB.
A 3000 watt rating really means OK at less
than 1000 watts RTTY.
Internal rig ATUs can not outperform a well
designed external ATU.
REFERENCES
General ATU Literature
1) A 100-Watt Compact Z-Match Antenna Tuner, by Phil Salas AD5X, http://www.ad5x.com/images/Articles/Ztuner%20RevA.pdf
2) BLTplus , by QRP Kits, http://www.qrpkits.com/blt_plus.html
3) M0EZP Z-match ATU covering 160m-10m, by http://m0ezp.squirrelhouse.biz/Z-Match.html
4) Review of different ATU designs, by David Knight G3YNH and Nigel Williams G3GFC, http://www.g3ynh.info/zdocs/z_matcing/part_2.html
5) The Ultimate Transmatch, Lew McCoy W1ICP, QST for June 1970, http://www.arrl.org/files/file/Technology/tis/info/pdf/7007024.pdf
6) St Louis Tuner Norcal QRPp Volume 4
7) Elecraft T-1 Automatic Antenna Tuner, <http://www.elecraft.com/manual/T1%20owners%20man%20rev%20A2.pdf>
8) Johnson Matchbox (no longer in production), <http://bama.edebris.com/manuals/johnson/matchbox>
9) Z-Match Tuner Design, <http://www.njqrp.org/mbrproj/zmatch_original.html>
10) Radio Communication Handbook, 11th Edition, RSGB, Chapter 15
11) W6RCA's No-Tuner, All-HF-Band, Horizontal, Center-Fed Antenna
<http://web.archive.org/web/20000612051104/http://people.delphi.com/CecilMoore/mystery.htm>
11) QRP Kits SLT Plus Tuner. http://www.qrpkits.com/sltplus.html
ATU Loss References
1. ATUs, Deltas and Losses, 1996 W4RNL, QQ Jan 1996, P.18
2. A Balun May Be Eating Your Lunch, KN1H, QQ April 1987, P. 10
3. “How to Evaluate Your Antenna Tuner,” F. Witt, AI1H, QST , Apr 1995, pp 30-34 (Part 1 ) and May 1995, pp 33-37 (Part 2 )
4. Evaluation of Antenna Tuners and Baluns–An Update, Frank Witt, AI1H, QEX Sept/Oct 2003, p. 3
5. “QST Compares : Four High-Power Antenna Tuners,” QST , Mar 1997, pp 73-77
6. “Baluns in the Real (and Complex) World,” F. Witt, AI1H, The ARRL Antenna Compendium, Vol 5, (Newington: ARRL 1996), pp 171-181
6.